首页
公司概况
公司简介
组织机构
企业方针
总经理致辞
新闻中心
行业资讯
企业新闻
产品中心
200闭口钢桶
200升开口钢桶
各类中小型钢桶
钢塑复合桶
内涂钢桶
电镀钢桶
特种钢桶系列
技术资讯
技术标准
钢桶标准
封闭器标准
生产条件
资质证明
相关证书
质量保证
我们的客户
联系我们
欢迎光临宁夏仓满制桶有限公司!我们将竭诚为您服务!
行业资讯
企业新闻
技术资讯
钢桶标准
封闭器标准
你所在的位置>>钢桶标准
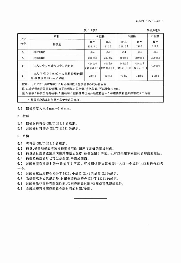
GB/T 325.3-2010 包装容器 钢桶
第3部分:最小总容量212L、216.5L和230L闭口钢桶(3)
首页
公司概况
新闻中心
产品中心
技术资讯
技术标准
生产条件
资质证明
联系我们
首页
公司简介
行业资讯
200闭口钢桶
技术资讯
钢桶标准
生产条件
相关证书
联系我们
组织机构
企业新闻
200升开口钢桶
封闭器标准
我们的客户
质量保证
企业方针
各类中小型钢桶
总经理致辞
钢塑复合桶
内涂钢桶
电镀钢桶
特种钢桶系列
Copyright © 2012 宁夏仓满制桶有限公司. 版权所有.
中国钢桶包装网 制作维护
【宁ICP备09000411号】